HOME
PRODUCTS
Rigid Chain
Push-Pull Chain
Zip Chain
Rigid Chain Lift (Industry)
AGV (Industry)
Control System
Rigid Chain Lift (Entertainment)
AGV (Entertainment)
Winch(Entertainment)
House Curtain
Drive&Damp
Reducer
APPLICATION
Stage
Industry and Construction
SOLUTIONS
LIFTING
PUSH-PULL
Technical Support
NEWS
Evo-Tech News
Industry News
ABOUT US
Factory Visit
Honor
History
Patents
Contact us
CN
EN
CN
EN
✕
HOME
PRODUCTS
Rigid Chain
Push-Pull Chain
Zip Chain
Rigid Chain Lift (Industry)
AGV (Industry)
Control System
Rigid Chain Lift (Entertainment)
AGV (Entertainment)
Winch(Entertainment)
House Curtain
Drive&Damp
Reducer
APPLICATION
Stage
Industry and Construction
SOLUTIONS
LIFTING
PUSH-PULL
Technical Support
NEWS
Evo-Tech News
Industry News
ABOUT US
Factory Visit
Honor
History
Patents
Contact us
18633879760
PRODUCTS
Current location:
HOME
>
PRODUCTS
> Drive&Damp
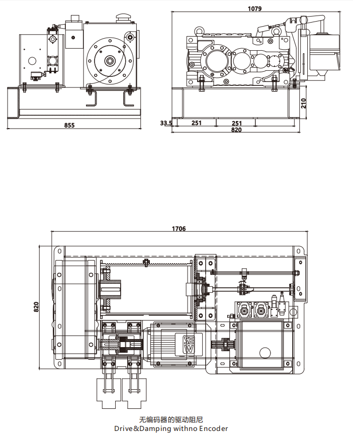
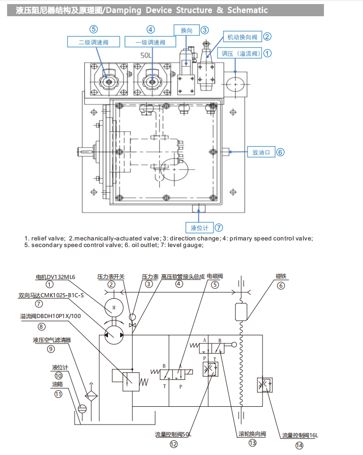
Drive&Damp
Download RIGID SAFETY CURTAIN DRIVE&DRAMPING SYSTEM product introduction
HOME
PRODUCTS
APPLICATION
SOLUTIONS
NEWS
ABOUT US
Hebei Evo-tech Machinery Equipment Manufacturing Co. 版权所有
工信部备案:冀ICP备2024055450号-1
首页
产品
电话
火博登陆官网
|
HB火博·(中国区)官方网站
|
乐玩
|
od网页版入口
|
易游手机入口官网
|
DB电竞(中国)官方网站
|
威客电竞
|
威客电竞(vk)·电子竞技赛事官网
|